• GDA 0.5m-1.0m-1.5m-2.0m光具座导轨
  • GDA 0.5m-1.0m-1.5m-2.0m光具座导轨
GDA 0.5m-1.0m-1.5m-2.0m光具座导轨

市 场 价: 0元/个

优 惠 价: 0元/个

产品特点: 将各种调整架组合成同轴的光学系统; 进口铝合金整体成型,表面阳极氧化处理,轻便,美观耐用; 光具座上有刻度,便于定量调节; 光具座上的燕尾座可以方便精密地与滑动座上的燕尾槽配合,锁紧牢固。
GDA 0.5m-1.0m-1.5m-2.0m光具座导轨

GDA 0.5m-1.0m-1.5m-2.0m光具座导轨

技术参数:

型号 GDA-1 GDA-2 GDA-3 GDA-4
Lmm 500 1000 1500 2000
Amm 80 125 120 145
Bmm 40 50 60 60
Cmm 260 300 340 490
Nmin 2 3 4 4
自重(kg) 2.85 5.75 8.65 11.5

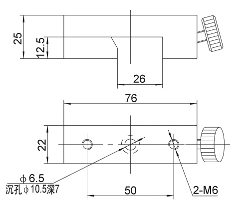
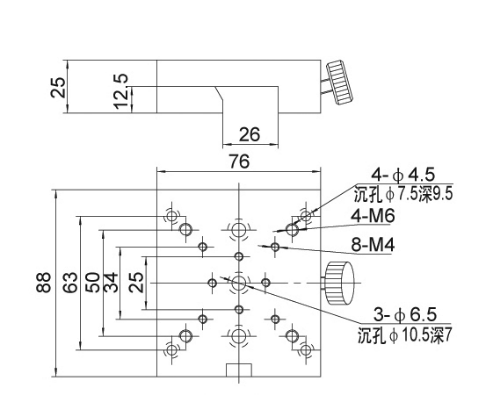
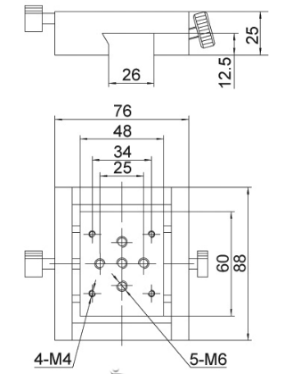
外形尺寸图:

 GDA-1

 

 GDA-2

    

 GDA-3

 

 GDA-4